東華鏈條集團創建于1991年11月,總部位于杭州市臨平區國家級經濟技術開發區,是一家集全球研發、制造、營銷和市場服務于一體的國際化鏈傳動企業。是中國首批制造業單項冠軍示范企業、國家企業技術中心、國家知識產權示范企業、中國機械工業百強企業。
專業化 系統化 高端化
●輸送鏈廣泛應用于食品、木林造紙、物流輸送、包裝機械、建材機械、環保裝備等行業的物料輸送。
●根據不同行業及工況特點,通過優化設計、合理選材、精密制造,產品具有高強度、耐磨損、高精度、耐腐蝕、耐溫性等特點,滿足高效、平穩、可靠輸送的需求。
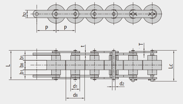
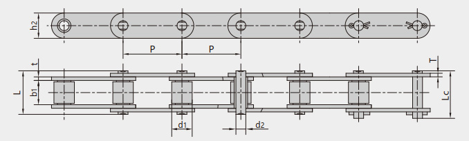
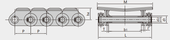
●典型產品:短節距滾子鏈、雙節距輸送鏈、自由流動鏈、木材輸送鏈、長節距輸送鏈、肉類生產線輸送鏈、食品包裝機械用鏈條、空心銷軸鏈等及附件。